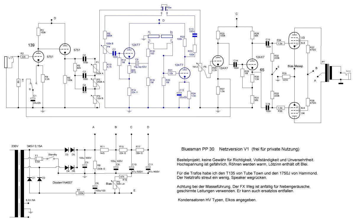
Der Bluesman PP

In die Entwicklung dieses Verstärkers ist viel Zeit und Aufwand geflossen. Es hat ein paar Jahre gedauert, die Schaltung ist nun ausgereift und wenn man sie mit einem der vielfältigen Fenderpläne der 50er Jahre vergleichen wollte, so käme man beim 15W am ehesten mit dem Princeton non Reverb (ähnlich auch dem Seydel Hyperamp I) hin, beim 30W halte ich den Pro 5e5A" für eine gute Basis.

Hier mein PP30 in Tweed, tilt-back legs und mit Weber. Der ist nicht notwendig, aber gefällt. Die zwei Veteranen klingen auch prima und sind etwas lauter, der Weber bricht früher ein und ist etwas weicher im Ton.

Der Bluesman in Aktion

Kellersession 2014 mit der Blueshaltestelle aus Regensburg


Fritz und Sepp haben je einen Bluesman PP am Mic hängen, im Raum war es schon sehr laut.

Und wie es bei Soundfiles immer ist ... subjektiv hat man es anders wahrgenommen, der Bass wirkt an meinen Lautsprechern zu wummerig, aber der Harpsound kommt fast hin.

Die erste fertige Version

Die erste fertige PP Version des Bluesmans war ein 15W mit 10" Eminence. Folgende Daten beschreiben diesen Amp:

  • 9,5 kg
  • PP Fixed Bias Endstufe
  • frequenzkorrigierter Lineout
  • pegelkorrigierter FX Loop
  • Loop auch als Boost regelbar
  • 9V Versorgung aus dem Amp für die Effektgeräte
  • 3 Band Klangregelung
  • "Dual Impedance" Eingänge

Der 15W wurde zwischendurch mal mit einem 12" aufgemotzt, er war dann auch lauter aber der Sound gefiel nicht mehr so gut, vor allem leise. Zum Glück tauchte da der WGS Veteran auf, und es wurde auf 10" zurückgerüstet.

Im Video der Sepp in einer Aufnahme von 2016, der Bluesman von oben mit Veteran 10" und Carbon Copy Delay im FX Weg. Harp beginnt in etwa bei der Hälfte des Songs.

Beim 30W Bluesman begann ich mit einem 12"+10" Cabinet. Das hatte ordentlich Bums aber war doch auch einigermaßen unhandlich.

Im Bild die letzte Version mit Canabis Rex.

Weil der 15W zu aufwändig im Bau war, fielen er weg. Schade um die tollen Amp. Aber die Boliden setzten sich durch. Ergänzt wurde später noch ein "Hot" Schalter. Dieser gibt entweder der Vorstufe oder der Aufholstufe mehr gain und ändert den Klang so bei annähernd gleichbleibender Lautstärke. Auch ein passiver Impedanzwandler wurde in den "HI" Eingang integriert.

Ressourcen / Downloads